办税指南
个人所得税
实操!定期定额户如何享受个税减半征收
发布时间:2021-04-28   来源:四川税务 
免责申明:本站自编内容版权所有,不得转载;部分内容转载自报刊或网络,转载内容均注明来源和作者,如对转载、署名等有异议的相关方请通知我们(tfcj@tfcjtax.com,051086859269),我们将及时处理!本网站登载的财税法规政策请以官方发布的为准;本网站内容仅供学习参考之目的,所有文章内容与观点并不代表本站观点、立场,我们不对其准确性、合规性负责!如用于实务操作等等其他任何目的,所产生的法律风险与法律责任与本站无关!

前面我们为大家介绍了个体工商户经营所得个税减半征收的政策如何通过扣缴客户端进行申报,今天我们继续来学↓

01

公告202147日发布,那我1-3月申报的经营所得个人所得税就不能享受减半优惠了吗?

答:个体工商户个人所得税减半政策的公告自202111日起施行,20221231日终止执行。202111日至本公告发布前,如果你已经缴纳上述时间段的个税经营所得,您可以在汇算清缴的时候办理退税,或者直接前往税务大厅更正当期申报表退还应减免的税款。

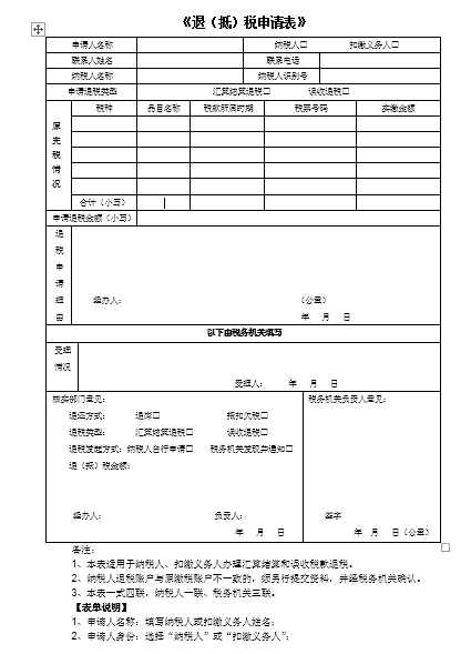
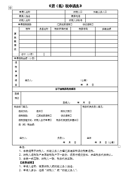
您可在自然人电子税务局首页【公众服务】—【下载服务】—【业务表单】中下载《退(抵)税申请表》,携带业主的身份证正反面复印件、完税证明、银行卡复印件(无对公帐户)、《退(抵)税申请表》,前往税务大厅申请退抵。

  

  

02

我是一名个体工商户,2021年度属于定期定额户,经营范围只涉及货物销售,按季度申报,每个月的定额为2万元,在2021年一季度因朋友介绍一个大客户,造成一季度应纳税所得额有150万元,在一季度预缴申报个税经营所得时能享受今年政府颁布的优惠政策吗?

 

一季度的税款如何计算呢?如果我二季度的应纳税所得额在9万元-100万元以内能享受今年政府颁布的优惠政策吗?

答:以四川省某市为例,因您的定额每月为2万元,主管税务机关给您核定的定期定额征收率为0,而您超定额造成无法在四川省电子税务局申报缴纳个税经营所得,只能填写《通用申报表》到税务大厅前台进行申报。

  

根据《关于实施小微企业和个体工商户所得税优惠政策的公告》(财政部 税务总局公告2021年第12号)及《关于落实支持小型微利企业和个体工商户发展所得税优惠政策有关事项的公告》(国家税务总局公告2021年第8号)规定,对个体工商户经营所得年应纳税所得额不超过100万元的部分,在现行优惠政策基础上,再减半征收个人所得税,不区分征收方式均可享受,所以贵单位20211季度应纳税所得额不超过100万元的部分依旧能享受该优惠政策,超过100万元的部分不予享受;

减免税额:

1000000*1%*50%=5000

一季度应纳税额:

1500000*1%-5000=10000

因您一季度应纳税所得额已超过100万元,已全额享受完对个体工商户经营所得年应纳税所得额不超过100万元的部分,在现行优惠政策基础上,再减半征收个人所得税,所以您二季度不再享受该优惠政策。

 

扫一扫,打开该文章

相关文章 查看更多>>
【打印】      【关闭】
版权所有:天赋长江(无锡)税务师事务所
地址:江苏省江阴市长江路169号汇富广场22楼
电话:0510-86855000 邮箱:tfcj@tfcjtax.com
苏ICP备05004909 苏B2-20040047